Image
image
Image
image
Image
image
Image
image
Image
image

L’équipe Service de LAB est un groupe d'experts disposant d'un large éventail de compétences en matière de traitement des fumées. Ces compétences s’appliquent aux domaines de la valorisation énergétique des déchets et autres combustibles tels que le charbon, la biomasse, les déchets industriels et dangereux mais également aux gaz d’échappement de moteurs à combustible hautement soufrés (activité Marine).

L'activité Service de LAB a pour mission de fournir un support et des services réactifs adaptés aux besoins des exploitants afin d'optimiser et d'améliorer les performances (environnementales, énergétiques, coûts opérationnels, disponibilité, durée de vie…) de leurs installations dans des délais très courts.

Item
Image
icon
Troubleshooting et Expertise
Image
icon
Retrofit
Image
icon
Extension de la durée de vie des installations
Image
icon
Performances énergétiques et environnementales

Nos Services

Image
image
Image
image
  • Maintenance préventive
  • Fourniture de pièces de rechange
  • Mise en conformité aux nouvelles règlementations
Maintenance
Image
image
  • Analyse de l'usure des équipements
  • Amélioration de l'efficacité énergétique et des performances environnementales
Expertise
Image
image
  • Suivi des performances des catalyseurs et autres équipements
  • Fourniture et remplacement de couches de catalyseurs usagés
  • Rénovation et augmentation de la durée de vie des installations
Catalyseur
Media
Fichier vidéo

Pièces de rechange

Grâce à ses stocks importants et stratégiquement localisés de pièces de rechange, forts de nombreux accords de partenariats locaux, les services de LAB sont logistiquement organisés pour la fourniture rapide de pièces de rechange et d’outils spécifiques nécessaires à l’optimisation de la maintenance de vos équipements.

 

Cochez la case correspondante pour accéder aux informations détaillées



Procédé de traitement de fumées ?




Image
image
Image
image
Image
image
Image
image
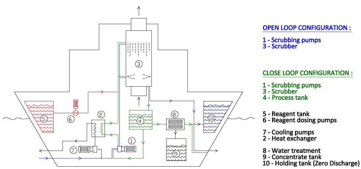
Quel type de boucle ?



Image
image
Image
image
Image
image