Boucle ouverte / Boucle fermée
Boucle ouverte / Boucle fermée / Hybrid Ready
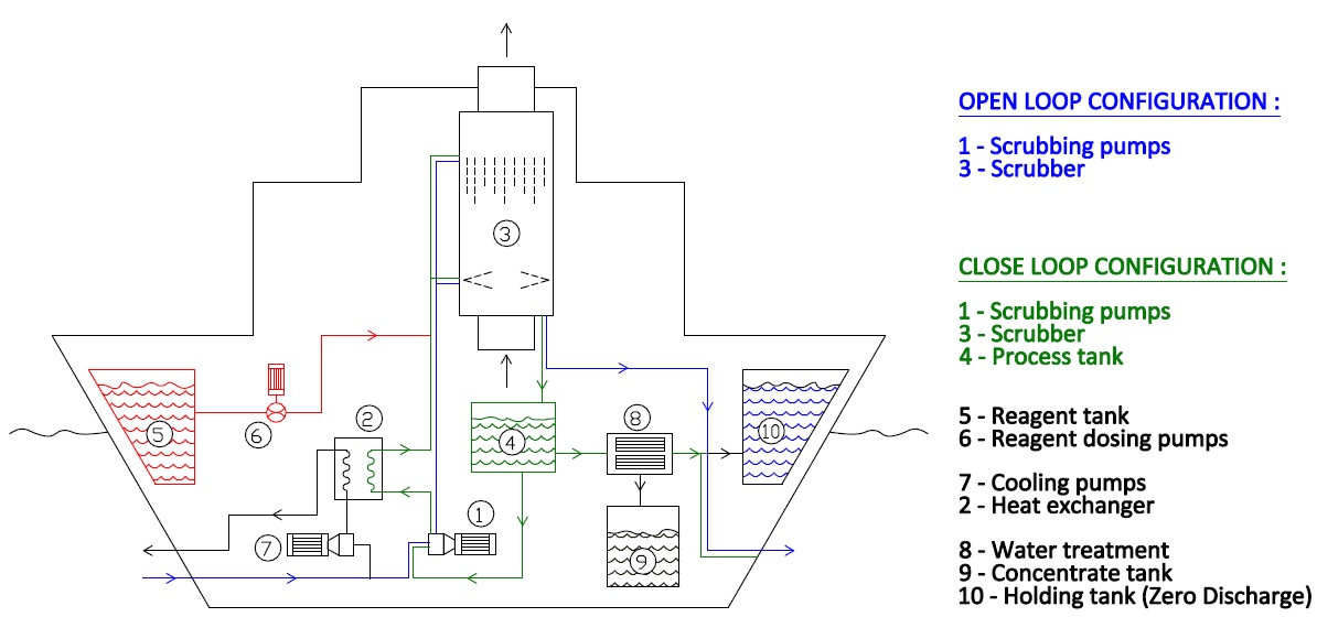
Avec le mode de fonctionnement en boucle ouverte, l'alcalinité naturelle déjà présente dans l'eau de mer est utilisée pour neutraliser le soufre des gaz d'échappement. L'eau filtrée est récupérée au niveau du collecteur commun, puis acheminée vers le laveur. L'eau est ensuite collectée, analysée et rejetée à la mer.
C'est le mode de fonctionnement le plus simple et le plus économique :
- Aucun réactif nécessaire (OPEX minimum)
- Équipement installé et impact d'intégration limité au strict minimum ( CAPEX minimum)
- Non autorisé dans certains ports et zones en raison du débit important d'eau de lavage
Avec le mode de fonctionnement en boucle fermée, l'eau est recirculée en continu et un réactif est utilisé pour neutraliser la teneur en soufre des gaz d'échappement. Seule une faible quantité d’eau est rejetée à la mer mais avant cela elle est traitée et analysée (ou stockée dans un réservoir en cas de fonctionnement en mode « zéro rejet »).
- Une partie du soufre et les suies sont concentrés dans le réservoir dédié aux boues et le rejet à la mer réduit à son maximum
- Les navires peuvent opérer dans toutes les zones où le rejet liquide est soumis à restriction (les ports, certaines zones SECA, certains canaux, eau territorial…) avec une flexibilité maximale
- Les réactifs doivent être stockés à bord (MgO ou NaOH)
- Le système peut être commuté en mode boucle ouverte à volonté (hybride)
Une configuration spéciale de la boucle ouverte appelée «hybrid ready» est proposée pour minimiser le premier investissement, réduire les temps de dry dock mais tout en permettant une conversion future du système en boucle fermée.




